الانتقال إلى المحتوى
View in the app

A better way to browse. Learn more.

مجموعة مستخدمي أوراكل العربية

A full-screen app on your home screen with push notifications, badges and more.

To install this app on iOS and iPadOS
  1. Tap the Share icon in Safari
  2. Scroll the menu and tap Add to Home Screen.
  3. Tap Add in the top-right corner.
To install this app on Android
  1. Tap the 3-dot menu (⋮) in the top-right corner of the browser.
  2. Tap Add to Home screen or Install app.
  3. Confirm by tapping Install.

مساعده في تحليل مشروع : نظام تفاعلي لتعليم الاطفال اللغه الانجليزيه

Featured Replies

بتاريخ:

السلام عليكم ..
انااعمل في مشروع نظام تفاعلي لتعليم الاطفال اللغه الانجليزيه وسبق ان طرح هنا بالمنتدى بواسطه الاخت العزيزه جيلانا التي اعمل معها بنفس لمشروع .


http://www.araboug.org/ib/index.php?showto...mp;#entry175859
المشروع عباره طرح خيارت للتعلم (abc,123,word ,exericses)الabc لها عده اقسام abc small ,aabc captial,all abc,abc song)والكلمات ايضا كما هو موضح بالرسم .

ولقد استقرينا وانتهينا ولله الحمد من رسمه dfd بمستويتها المختلفه و الفلو شارت : سؤالي هنا هل هي صحيحه الرسومات جزاكم الله خيرا ؟!

رسمه contxt digram


01optbu19.png

رسمه dfd level0

01pmled19.png

رسمه dfd level 1 خيارت abc

01szbke19.png


رسمه dfd level 2 خيارات الكلمات

01srtzy19.png


رسمه الفلو شارت


01lngdf19.png



1-في خيار exericses هل نعملها تقسيم مثل abc ,word

2-هـــــــــل الرسومات صحيحه جزاكم الله خيرا؟؟افيدوني..!!

تم تعديل بواسطة NAFNAF..

بتاريخ:

وعليكم السلام ورحمة الله

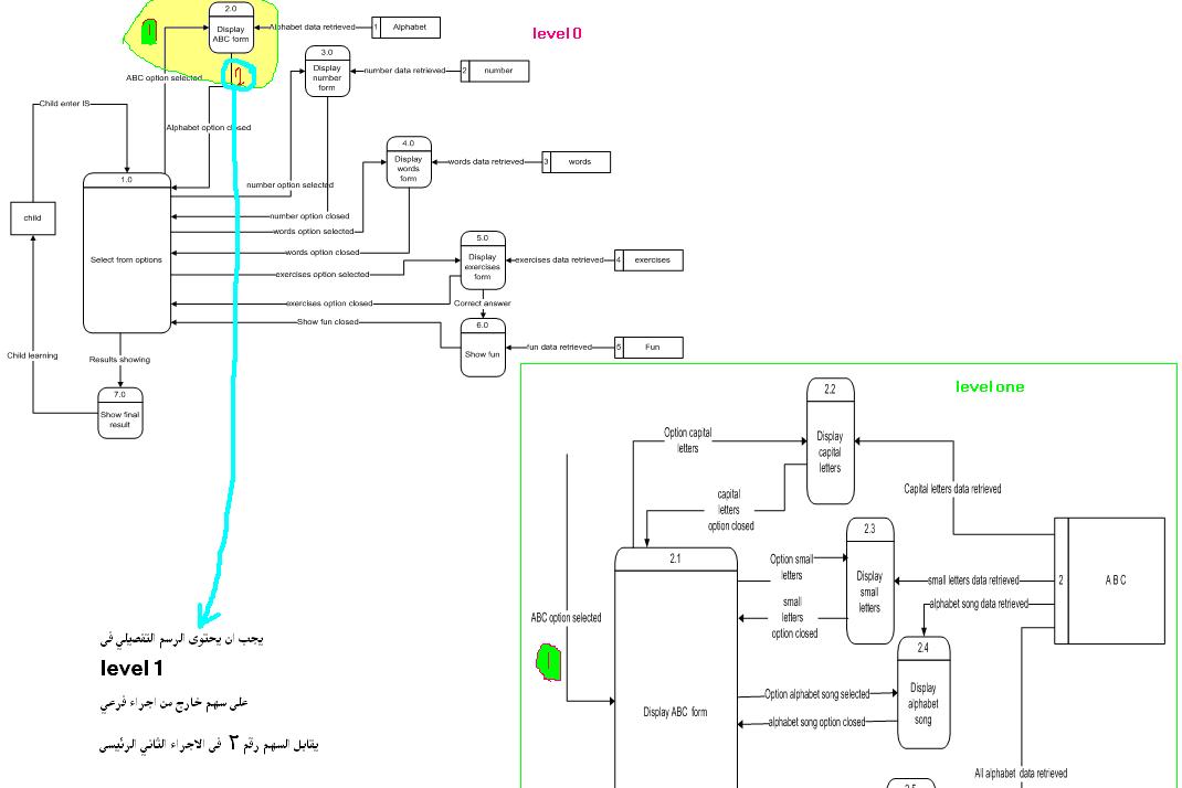
- جميع الرسومات التفصيلية ستكون على المستوى الأول ... dfd level 1

- يوجد سهم خارج من الاجراء الثاني موجود فى الرسم level 0
alphabet option closed
يجب ان يظهر فى المستوى الادنى ... وهو مستوى level 1



في خيار exercises هل نعملها تقسيم مثل abc ,word


تجزئة او تقسيم الاجراء decomposition الى مستوى تفصيلى يتحدد حسب حجم العمليات داخلة وهل هى تحتاج الى توضيح وتفصيل اكثر ام لا
بتاريخ:
  • كاتب الموضوع

اجراء التمارين يحتاج الى تحليل له ثلاث خيارا (تمارين abc <تمارين 123>تمارين الترتيب )


هذه رسمتها باعتبارها level 3

01lznhi20.jpg


اخي ماذا تقصد جميع التقسيمات ب ليفل 1 , يعنيهل ندمج level 2 وlevel3 مع level 1 ???
ارجو التوضيح اكثر وفقك الله


\\
شكرا لك

بتاريخ:

السلام عليكم ورحمة الله ,

أخ أمجد بارك الله فيك هل تقصد أن ليفل 1 & 2 تكون لهم تسميه واحده وهي level 1 ؟
وأيضاً سهم إغلاق يخرج من كلاهما ؟

بتاريخ:

وعليكم السلام ورحمة الله

عند رسم المستوى صفر .... تكون كتابة ارقام الاجراءات كالتالي
1.0 - 2.0 - 3.0 - 4.0

ثم
عند تقسيم الى المستوى الاول ... للاجراء الرابع
4.1 - 4.2 - 4.3 - 4.5 level 1

عند تقسيم الى المستوى الاول ... للاجراء الثاني
2.1 - 2.2 - 2.3 level 1

ثم
عند التقسيم الى المستوى الثاني ... للاجراء 4.5
4.5.1 - 4.5.2 - 4.5.3 level 2


هل تقصد أن ليفل 1 & 2 تكون لهم تسميه واحده وهي level 1 ؟


نعم


سهم إغلاق يخرج من كلاهما


المقصود من هذا هو تحقيق شرط التوازن عند التقسيم لاجراء من مستوى الى مستوى ادنى منه balancing
اي ان عدد الاسهم الخارجة او الداخلة الى الاجراء المطلوب تفصيله decomposition ... يجب ان تظهر عند رسم المستوى التفصيلى له .. مع نفس الاتجاهات in or out

اليك تعديل بسيط على الرسم لايضاح فكرة ال balancing

update_level_1.JPG

بتاريخ:

بارك الله فيك ياأخ أمجد وجزاك الله خيراً على سرعة الرد ,

بالنسبه إلى أرقام الإجراءات فأعتقد بإذن الله تسميتي صحيحه , إلا إن كنت قد لاحظت خطأ لم أنتبه له .. أتمنى أن تهديني إليه هداك الله إلى طريق الجنه .

و بعد التعديل على الرسومات ستكون هكذا

01vktas26.gif

وأيضاً

01wrjlf26.gif


هل هي صحيحه ؟

/

شكراً على تجاوبك ومساعدتك , لاحرمت الأجر .

بتاريخ:

السلام عليكم ورحمة الله

لا يوجد اقتراح محدد لطريقة الرسم او تسلسل اجراءات التنفيذ او مكونات الاعمال بكل اجراء ... وهى تختلف حسب فهمه لطبيعة تنفيذ الاجراءات وحجم العمل بالاجراء

اقتراح

يمكن عمل اجراء جديد ... وتتجه اليه اسهم من جميع الاجراءات الاخري ثم الخروج

أو
يمكن عمل Process جديد ... وليكن 2.6

ويتم ربطه مع Process 2.1
... اي بعد الانتهاء من اجراء 2.1 سيذهب لتنفيذ الاجراء 2.6 ثم غلق وخروج من 2.6
ويكون اتجاه السهم من 2.1 الى 2.6

ثم رسم data flow خارج من 2.6

بافتراض ان الاجراء 2.1 سيقوم بارسال البيانات الى الاجراءات الاخرى ... ثم يستقبل نتائج الاجراءات .

انضم إلى المناقشة

يمكنك المشاركة الآن والتسجيل لاحقاً. إذا كان لديك حساب, سجل دخولك الآن لتقوم بالمشاركة من خلال حسابك.

زائر
أضف رد على هذا الموضوع...

برجاء الإنتباه

بإستخدامك للموقع فأنت تتعهد بالموافقة على هذه البنود: سياسة الخصوصية

Account

Navigation

البحث

إعداد إشعارات المتصفح الفورية

Chrome (Android)
  1. Tap the lock icon next to the address bar.
  2. Tap Permissions → Notifications.
  3. Adjust your preference.
Chrome (Desktop)
  1. Click the padlock icon in the address bar.
  2. Select Site settings.
  3. Find Notifications and adjust your preference.